01․ In the given figure the value of the source voltage is

02․ Three resistances of two ohms each are connected in star. In the equivalent delta representation each resistance will have a value of _______________ Ω.
03․ Consider the following circuit. What is the value of current I in the 5 Ω resistor in the circuit given in the figure?

04․ The value of V in the circuit shown in the given figure is

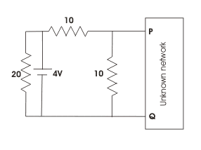
05․ In the given figure, the Thevenins equivalent voltage and impedance as seen from the terminals P - Q is given by


Hence the Thevenins equivalent voltage is 2 V and impedance is 5 Ω.06․ For the network shown below when I = 0, V = 20 V and when R = 0, I = 10 A. If now R = 3 Ω what is the value of the current I?

07․ In active filter which element is absent?
In active filter inductor is absent which are bulky and expensive at lower frequency.
08․ Advantage of active filter is
Active filters offers gain and it is also easy to tune. It derives low impedance loads. These are the advantages of active filter over passive.
09․ Disadvantages of constant k type filter
In m derived filter impedance is constant throughout pass band and it is possible to get very rapid attenuation rise in stop band and beyond cut off frequency.
10․ In Cauer 1st form last element in the network is
In Cauer form 1st at s tends to zero, if Z(s) is zero and θ = 0 i.e., for s tends to zero, the inductive path is conductive. Thus the last element is an inductor.
<<<4142434445>>>

